खोखली शाफ़्ट
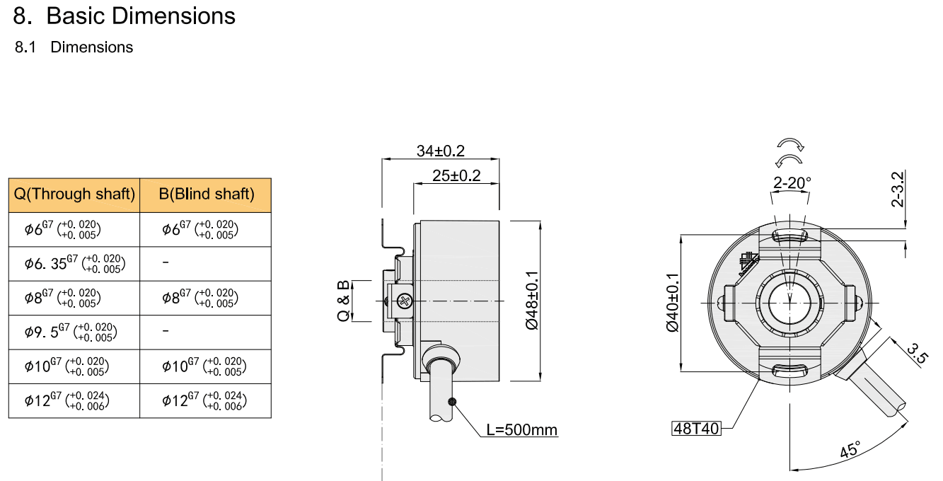
48 मिमी
34 मिमी
6/8/10/12 मिमी
500-10000प्रति
वृद्धिशील एनकोडर
आईपी40
RS-422, टीटीएल, एचटीएल, एनपीएन, पीएनपी, पुश पुल, वोल्टेज
हाँ
| SKU: | |
|---|---|
| उपलब्धता स्थिति: | |
| मात्रा: | |
K48
| सामान | बुनियादी पैरामीटर |
| ब्रांड | हेंगज़ियांग |
| एनकोडर प्रकार | वृद्धिशील एनकोडर |
| बाहरी व्यास | 48 मिमी |
| मोटाई | 34 मिमी |
| स्थापना आयाम | 40 मिमी (स्प्रिंग प्लेट 48T40) |
| शाफ्ट के माध्यम से | 6/6.35/8/9.5/10/12मिमी |
| अंधा शाफ्ट | 6/8/10/12मिमी |
| संकल्प | 50;60;100;200;256;300;360;500;512;600;720;1000;1800; 2000;2048;2500;3600;4000;4096;5000;7200;8192;10000। |
| 1000/4;1000/6;1000/8; 1024/4;1024/6;1024/8; 2048/4;2048/6;2048/8; 2500/4;2500/6;2500/8; 4096/4;4096/6;4096/8; 8192/4;8192/6;8192/8. | |
| आउटपुट चरण | चरण A+,B+,Z+,A-,B-,Z-,U+,V+,W+,U-,V-,W- |
| रिवर्स पोलरिटी सुरक्षा | √ |
| शॉर्ट सर्किट सुरक्षा | √ |
| वोल्टेज आपूर्ति | DC5V ;DC8-30V |
| आउटलेट प्रकार | रेडियल केबल |
| आउटपुट मोड | एनपीएन/पीएनपी (ओपन कलेक्टर आउटपुट) |
| वोल्टेज आउटपुट | |
| पुश-पुल आउटपुट | |
| लाइन ड्राइव (26एलएस31) टीटीएल | |
| लाइन ड्राइव(DC8-30V) HTL | |
| TTL(DC5V) चरण ABZ चरण UVW से पीछे हैं | |
| सुरक्षा ग्रेड | आईपी40 |
| केबल लंबाई | 500 मिमी |
| उपभोग वर्तमान | 100mA अधिकतम |
| शीर्ष प्रतिक्रिया आवृत्ति | 500KHZ |
| स्वीकार्य लहर | ≤3%आरएमएस |
| लोड वोल्टेज | ≤DC30V |
| इन्सुलेशन ताकत | AC500V 60s |
| इन्सुलेशन प्रतिरोध | 10MΩ |
| GND | एनकोडर से कनेक्ट नहीं |
| मार्क टू स्पेस अनुपात | 45% से 55% |
| शुरुआती टॉर्क | 9.8x 10-3 एनएम से कम |
| इंटरटिया पल | 6.5x 10-6kg.m2 से कम |
| दस्ता भार | रेडियल 30एन;अक्षीय 20N |
| शीर्ष रेव | 5000आरपीएम |
| जीवन धारण करना | रेटेड लोड पर 1.5x109 रेव्स (2500आरपीएम पर 100000 घंटे) |
| पर्यावरण का तापमान | संचालन:-20 ~+85°;भंडारण:-20~+90° |
| पर्यावरणीय आर्द्रता | संचालन और भंडारण: 35-85% आरएच (गैरसंघनक) |
| कंपन(सहना) | आयाम 0.75 मिमी, 5-55 हर्ट्ज, 2 घंटे एक्स, वाई, जेड दिशा व्यक्तिगत रूप से |
| जुर्राब(सहना) | 490 मी/से2, 11 एमएस व्यक्तिगत रूप से एक्स, वाई, जेड दिशा के लिए तीन बार |
| सामग्री | दीया कास्ट एल्यूमीनियम और पीवीसी |
| प्रमाणीकरण | सीई |
| पैकेट | कार्टन का डिब्बा |
| शुद्ध वजन | लगभग 140 ग्राम (पैकेज के साथ) |


Shanghai Hengxiang Optical Electronics Co., Ltd.एक उच्च तकनीक उद्यम है जो उच्च परिशुद्धता ऑप्टिकल एनकोडर के निर्माण, अनुसंधान, उत्पादन और विपणन में विशेषज्ञता रखता है।हमारे पास एक परिपक्व स्वतंत्र अनुसंधान और विकास क्षमता है, जो नए विकास प्रौद्योगिकी उत्पादों की जरूरतों के आधार पर विशेष मॉडल के उत्पादन को अनुकूलित करने में सक्षम बनाती है।हम 2001 में स्थापित किया गया और 21 वर्षों के अवसादन के बाद घरेलू और विदेशी उत्पादों का निर्यात किया गया।हमारी कंपनी मुख्य रूप से एनकोडर, ऑप्टिकल लेंस, जर्मेनियम उत्पादों आदि में लगी हुई है। उत्पाद की गुणवत्ता और उच्च परिशुद्धता और गहरी प्रसंस्करण प्रौद्योगिकी के उच्च मानक का सख्त नियंत्रण लिफ्ट, मोटर, सीएनसी, कपड़ा, रोबोट, पवन ऊर्जा, चिकित्सा, असेंबली की सेवा प्रदान करता है। लाइन उपकरण, और अन्य स्वचालन प्रौद्योगिकी उद्योग।
हम सटीक ऑप्टिकल एनकोडर के क्षेत्र में एक प्रसिद्ध ब्रांड बनने पर ध्यान केंद्रित करते हैं और अंतरराष्ट्रीय सटीक एनकोडर में अग्रणी बनने का लक्ष्य रखते हैं।
'विज्ञान-तकनीकी जीवन के लिए संवेदनशीलता में परिशुद्धता।' 'हेंगज़ियांग 'अखंडता, परिशुद्धता और व्यावहारिकता, ग्राहक-उन्मुख, एकता और पारस्परिक-सफलता' के कॉर्पोरेट सिद्धांतों का पालन करेगा।
क्यू: आपके प्रमुख उत्पाद क्या हैं?
ए: हमारी कंपनी ने ऑप्टिकल लेंस और एनकोडर डिस्क से उत्पाद स्थापित किए, जो एनकोडर के लिए एक मजबूत सैद्धांतिक आधार प्रदान करते हैं, 20 वर्षों के विकास के बाद, हमने अपने व्यवसाय को एनकोडर तक बढ़ाया, यही कारण है कि हमारी गुणवत्ता अत्यधिक आश्वस्त है और अन्य एनकोडर फैक्ट्री की तुलना में सकारात्मक प्रतिक्रिया मिली है।
क्यू: क्या आप निर्माता या एजेंसी हैं?
ए: हम 23 वर्षों से अधिक के विनिर्माण अनुभव वाली एक फैक्ट्री हैं, हमारी फैक्ट्री में आने के लिए आपका स्वागत है, हम शंघाई शहर, चीन में स्थित हैं।
क्यू: यदि आपके वर्तमान कैटलॉग में कोई समान पैरामीटर नहीं है तो क्या मैं एनकोडर को अनुकूलित कर सकता हूँ?
ए: हाँ, हम अनुकूलित सेवाएँ प्रदान कर सकते हैं, हमारे पास आपके स्वयं के लोगो या भाग संख्या को अनुकूलित करने के लिए लेजर प्रिंटिंग मशीनें भी हैं;
यदि आप अन्य ब्रांडों के लिए समकक्ष उत्पाद प्राप्त करना चाहते हैं, तो आप सटीक कीमत और मापदंडों की पुष्टि के लिए हमसे संपर्क कर सकते हैं, हम आपको कार्य समय में एक घंटे के भीतर जवाब देंगे।
क्यू: आपका MOQ क्या है?
ए: हमारे नियमित एनकोडर के लिए MOQ 1 पीसी है।
क्यू: लीड टाइम में कितना समय लगता है?
ए: नमूनों के लिए डिलीवरी 1 सप्ताह के भीतर होती है, नियमित एनकोडर के लिए बड़े पैमाने पर ऑर्डर के लिए लगभग 10 दिन लगते हैं।